Turning Frost into Warmth: A Data Center Holiday Story
As the year winds down, we found inspiration far from our usual engineering corridors in a quiet little town near the North Pole. It’s a place where winter never takes a break, where lights twinkle through long nights, and where warmth is more than comfort—it’s community.
This year, our team imagined a story set there. A new AI data center sits just outside the town, humming through ice-cold winds. Inside, its servers work tirelessly generating heat that usually disappears unused into the frost-filled air. But this town needed warmth. And we had a different idea.
Using Modelon Impact, we simulated an integrated cooling system where the data center’s waste heat doesn’t escape…but flows back into the community. Through a high-efficiency heat pump and a well-designed district heating loop, every watt of excess heat becomes a source of comfort, warming homes, schools, and those cozy holiday gatherings.
Modelon’s Thermal Systems Expertise
This little North Pole tale captures what we’ve been working toward all year, powered by our deep expertise in thermal systems:
- Efficient Data Center Cooling: Designing systems that manage high power densities while maximizing heat recovery.
- Integrated Thermal and Energy Systems Engineering: Connecting diverse systems like vapor compression cycles and district heating.
- Model-Based Design using Modelon Impact: Enabling rapid optimization and validation before physical build.
- Sustainable Solutions: Designing systems that give more energy value than they take.
The Integrated System Architecture
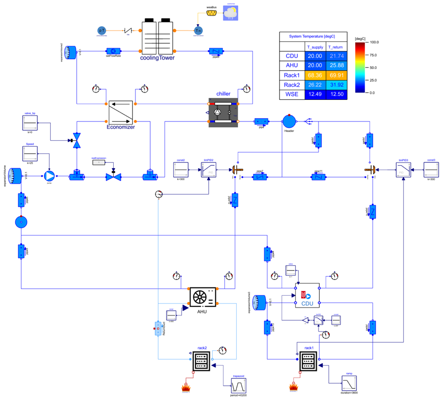
- Smart Cooling for the Data Center: We modeled the thermal dynamics of the cooling loop to ensure peak server efficiency and optimal waste heat capture as shown in Figure 1. This model can be reduced in fidelity maintaining required accuracy while moving to high level optimization studies in the next step.
- Sustainable Heating for the Town: The district network model guarantees reliable flow and temperature to every building purely acting as a consumer of heat.
- A Circular Energy Story: Modeled from end-to-end using our robust libraries as shown in Figure 2.


Key Simulation Results
Simulations confirmed the system’s feasibility and high performance, proving the economic and environmental benefits as shown in Figure 3.

Simulation for Community Impact
At Modelon, we’ve spent years building superlative expertise in:
- Data Center Cooling Systems: Mastering the complexity of liquid cooling, chiller/CRAC stacks, and energy optimization.
- Heat Pump and Refrigeration Modeling: Optimizing the Coefficient of Performance (COP) for maximum energy upgrade.
- District Heating and Circular Thermal Systems: Integrating complex networks for sustainable community energy.
This experiment reflects how those strengths can come together using rigorous simulation to turn an engineering challenge into an opportunity for sustainability and community impact.
As 2026 approaches, we’re excited to keep pushing engineering forward—where smart simulations meet real-world impact, and where even the coldest places can find new warmth.
Wishing you all a wonderful holiday season and a bright, sustainable new year from our engineering family to yours. Stay warm!